Ceci est une ancienne révision du document !
Makerbuino

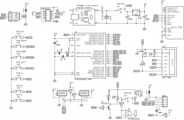
La makerbuino est une micro-console basée sur un microcontrôleur ATmega328P (utilisés dans les arduino UNO, NANO, etc.). La console peut-être fabriquée à partir des plans sous licence libre ou achetée en kit. Il s'agit d'ailleurs d'une version en kit de la gamebuino classic.
Elle se compose aussi d'un écran LCD noir et blanc type Nokia 5110 de 84×48 pixels, d'une batterie Li-Po, d'un lecteur de cartes SD pour y stocker les jeux. Une spécificité de cette console est qu'elle peut-être relié à d'autres par les deux connecteurs I2C.
Etant donné qu'elle est identique à la gamebuino classic, elle utilise donc la bibliothèque de code “gamebuino”
Catalogue
On peut trouver des jeux sur le site de Circuitmess (la société croate qui fabrique les makerbuino) : https://www.circuitmess.com/creations/
Mais aussi sur le wiki de la gamebuino classic : http://legacy.gamebuino.com/wiki/index.php?title=Games ou sur le forum de la gamebuino classic : http://legacy.gamebuino.com/forum/viewforum.php?f=17
Construction du kit
La notice complète de montage est disponible en ligne ou en version pdf à télécharger. Gotronic, distributeur français du makerbuino publie également une version traduite
Prise en main
La bibliothèque de code nécessaire peut-être installée directement depuis l'IDE arduino (gamebuino classic). Elle est aussi disponible sur un dépôt github, dans sa dernière version disponible 0.5.2. Une documentation et un guide de démarrage (très succint!) sont aussi disponibles sur le site de gamebuino
- référence de la bibliothèque : http://legacy.gamebuino.com/wiki/index.php?title=Reference
Une fois installée, de nombreux exemples d'utilisation de la bibliothèque sont directement accessibles depuis l'IDE arduino
installer son programme
La makerbuino n'étant pas équipée de port usb
Ressources
Par ici :
- forum makerbuino : https://community.circuitmess.com/c/makerbuino/
- forum gamebuino classic : http://legacy.gamebuino.com/forum/index.php

